Bow Roller
Technical Parameters Traits ●excessive line pace, low jitter, no noise ● small rotating torque and may resist large pulling force ● desirable sealing performance, waterproof, acid and alkali resistance ● secure and durable, clean to install and debug ● there may be a completely unique flattening...
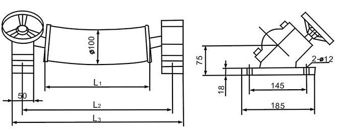
Technical Parameters
| Roll surface diameter | Ø80, Ø100, Ø125, Ø150 |
| Roll length | 200-3600mm |
| Substrate roll angle | 15°-30° |
| Roll line speed | <300m/min |
| Rubber variety | Butadiene rubber, EPDM rubber, silicone |

●excessive line pace, low jitter, no noise
● small rotating torque and may resist large pulling force
● desirable sealing performance, waterproof, acid and alkali resistance
● secure and durable, clean to install and debug
● there may be a completely unique flattening function for the substrate to appear inside the center of the tight facet of the 2 aspects or the loose aspect of the middle.
The knocking down capacity is quite small, the attitude of the substrate wrapping roller have to no longer be too massive or the tension is simply too big, otherwise the movie-based substrate may be completely deformed, the paper substrate can be broken, and the cloth substrate may be bent in the weft path. it's far on occasion essential to modify the direction of the curvature in time depending on the condition of the substrate.
The curved pulling down curler is widely utilized in fabric, printing and dyeing, printing, papermaking, movie, packaging and different industries. it's far a ramification of products with wide application range and big dosage.

Product description: bending roller (also called curved stretching curler)
Use:
It's far suitable for processing equipment for movie, paper, fabric, metallic foil and different products to save you wrinkles and stretch and stretch in the course of the operation of the substrate.
Structural capabilities:
The internal tube of the hose has a self-aligning bearing with small turning torque; the rubber floor is clean and has no destructive effect at the substrate; the perspective of the stretching roller can be adjusted freely.


Packing

Order Details
Item Name | Bow Roller |
MOQ(Minimum Order Quantity) | 1PC |
Lead time | 10-15 days after receiving the deposit |
Calculated Weight | Need to count |
Package | Wooden Box/Pallet packing/according to clients's requirement and demand |
Price Term | EXW,FOB, CIF, etc |
| Payment term | TT,L/C,Western Union |
| Country of Origin | China |
Hot Tags: bow roller, China, manufacturers, suppliers, factory, quotation, pricelist, buy










