3 Inch to 12 Inch External Rubber Pneumatic Core Chuck
Air cover has key type and drum type, drum type air cover also called air drum;
Function: Set on the 3 inches air shaft, can get the six inches’ efficiency;
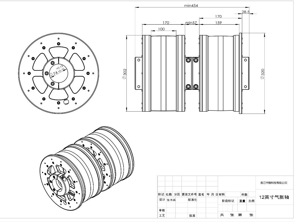
Inner bore Ø 76mm, outside diameter is 302mm, the length is 250mm usually;
Adopt the high quality aluminum alloy(surface hard anodized), the surface color is silver;
Name: | 3”vs 12”External Rubber Type Core Adaptor |
Model: | External Rubber Type |
Expanding elements: | Rubber Sleeve |
Outer Diameter of Adaptor(not inflated): | 300mm-302mm |
Inner Diameter of Adaptor: | 76mm(can be customized) |
Adaptor Body | Aluminum |
Cover/Half Ring | Aluminum |
Colour | Brown/Silver |
Introduction:
External Rubber Pneumatic Adapter Features:
1. Air cover has key type and drum type, drum type air cover also called air drum;
2. Function: Set on the 3 inches air shaft, can get the six inches’ efficiency;
3.Inner bore Ø 76mm, outside diameter is 302mm, the length is 250mm usually;
4. Adopt the high quality aluminum alloy(surface hard anodized), the surface color is silver;
5.After inflating it is equal to 12inches air shaft, outside diameter can reach 312mm-315mm;
6. The surface of rubber length is 200mm;
Note: If customers have any special demands,we could accept customization.
Drawing

Technique parameter
Specification | 3”vs 6”external rubber type pneumatic core adaptor | 3”vs 12”external rubber type pneumatic core adaptor |
External Diameter Without Air Inflating(Φmm) | 148mm-150mm | 302mm |
External Diameter With Air Inflating(Φmm) | 158mm-160mm | 312mm-315mm |
Applicable Internal Diameter of Tube(Φmm) | 152mm | 305mm |
Weight Calculation(KG) | 4.5kg | Need to calculate |
Order Details
Item Name | 3 inch To 12 inch External Rubber Type Core Adapter |
MOQ(Minimum Order Quantity) | 1Pc |
Lead time | 20 days after receiving the deposit |
Calculated Weight | |
Package | Wooden Box |
Price Term | EXW,FOB, CIF, etc |
Payment term | TT,L/C,Western Union |
Country of Origin | China |
Hot Tags: 3 inch to 12 inch external rubber pneumatic core chuck, China, manufacturers, suppliers, factory, quotation, pricelist, buy










