Bow & Anchor Rollers
Printing and dyeing bending rolls are also known as: curved rolls, flattening rolls, bending rolls, printing and bending rolls, printing and dyeing rubber rolls, rubber rolls, paper-making rubber rolls, nitrile rubber rolls, textile rubber rolls, printing rubber rolls, coating machine rolls,...
Printing and dyeing bending rolls are also known as: curved rolls, flattening rolls, bending rolls, printing and bending rolls, printing and dyeing rubber rolls, rubber rolls, paper-making rubber rolls, nitrile rubber rolls, textile rubber rolls, printing rubber rolls, coating machine rolls, Bending roll
Rubber bending roller use: widely used in industrial machinery such as textile, printing and dyeing, printing, printing, papermaking, metallurgy, transportation, plastics, leather, tobacco, pharmaceutical, wood, packaging machinery and equipment, with high wear resistance, high elasticity, resistance Oxidation, corrosion resistance, high temperature resistance, strong acid and alkali resistance, strong solvent resistance
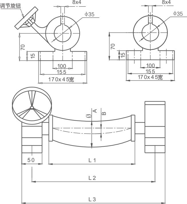
Structural features: the diameter of the hose is Φ80——Φ150mm width: 60-400cm; the inner bearing of the hose, the rotary torque is small; the rubber surface is smooth, no adverse effect on the substrate; the stretching angle can be adjusted freely.
Type of rubber sleeve: ordinary rubber sleeve, wear-resistant rubber sleeve, special rubber sleeve, EPDM rubber sleeve, neoprene rubber sleeve, silicone sleeve
Plastic sleeve color: red, white, black, green

CHARATERISTIC
1. The material is mainly made of nitrile rubber, and the color can be red, green, black, etc.
2, the internal structure is the bearing ring
3, the inner device of the hose, the torque is small
4, the rubber surface is smooth, no adverse effect on the substrate
5, the stretch roller angle can be adjusted freely
6, diameter: Ф80, Ф100, Ф125, Ф150, Ф160, Ф200


Application

Packing


Order Details
Item Name | Bending Roller/Curved roller |
MOQ(Minimum Order Quantity) | 1PC |
Lead time | 10-15 days after receiving the deposit |
Calculated Weight | Need to count |
Package | Wooden Box/Pallet packing/according to clients's requirement and demand |
Price Term | EXW,FOB, CIF, etc |
| Payment term | TT,L/C,Western Union |
| Country of Origin | China |
Hot Tags: bow & anchor rollers, China, manufacturers, suppliers, factory, quotation, pricelist, buy












