Curved Flatten Roller
According to the customer's needs, we produce different specifications of high and low hardness of nitrile rubber, EPDM rubber, polyurethane glue, and silicone stretch rolls. Uses: flatten, wrinkle, compound, cut. The product line has high speed, small amount of jitter, no noise, safe and...
According to the customer's needs, we produce different specifications of high and low hardness of nitrile rubber, EPDM rubber, polyurethane glue, and silicone stretch rolls.
Uses: flatten, wrinkle, compound, cut.
The product line has high speed, small amount of jitter, no noise, safe and reliable, and can withstand large pulling force.
Spreading rolls are used in printing, textile, printing, film, packaging, embossing, coating and other processes.
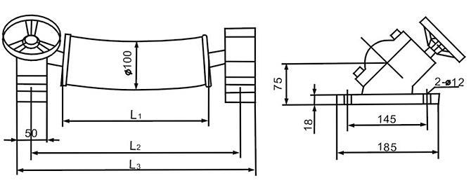
Diameter Ø80, Ø100, Ø120, Ø125, Ø150 bearing device within rubber tube. Rotary torque small torque; rubber surface smooth, without adverse effects on the base material; stretch rollers are free to adjust the angle.
Ordering instructions
please note
● Roller length
● Mandrel length
● Roller diameter
● Line speed


Stretch roller feature
● The die-oriented stretch roller is stretched and stretched, the flattening ability is strong, the substrate is evenly stressed, the flattening mode is soft, and the substrate is not deformed.
● High speed, low jitter, no noise, safe and reliable
● Light weight, low inertia and low rotating torque
● Strip wear resistance, dynamic fatigue resistance, aging resistance, corrosion resistance and durability
● Mandrel length is not limited
● There are two types of stretcher roller housings to choose from, the housing is small, and the installation is simple.
● Debugging is simple, you only need to turn the mandrel, you can eliminate the wrinkles caused by various reasons at one time, no need to adjust frequently
The rubber strip type stretching roller is one of the best flattening effects so far, and is widely used in the fields of textile, printing and dyeing, paper making, plastic, packaging, printing and the like. It can be applied to thin and thick substrates, especially suitable for ultra-thin, super-soft, ultra-light, easy to stretch, and low tension substrates, such as film, paper, silk, knitted fabrics, etc.

Packing


Order Details
Item Name | Curved flattening roller |
MOQ(Minimum Order Quantity) | 1PC |
Lead time | 10-15 days after receiving the deposit |
Calculated Weight | Need to count |
Package | Wooden Box/Pallet packing/according to clients's requirement and demand |
Price Term | EXW,FOB, CIF, etc |
| Payment term | TT,L/C,Western Union |
| Country of Origin | China |
Hot Tags: curved flatten roller, China, manufacturers, suppliers, factory, quotation, pricelist, buy












