Tension Clutch
Creation of product characteristics of magnetic powder clutch (1) high-precision torque control torque has a huge control variety and excessive manage precision, and the torque and excitation present day are successfully proportional, permitting excessive-precision manipulate. (2) extraordinary...
Magnetic powder clutches are used in a wide range of applications in the automation industry, in the printing, packaging, printing and dyeing, paper, winding and other industries. The magnetic powder clutch can also be used with the tension controller in the papermaking industry. The magnetic powder clutch is equipped with a tension controller for tape, film rewinding, unwinding of the paper surface processor, unwinding of the film coating machine, and film slitting. The purpose of the machine's winding and so on.
The magnetic powder clutch is combined with the tension controller to form a tension control system, which can freely control the tension of each process of paper production, achieve balance and smooth tension, and use production work more efficiently and smoothly. In addition, the paper tension controller (automatic and semi-automatic) can also be controlled by computer when conditions permit and design requirements, and these functions are more in line with high-end machinery.
Connected DC24V series 4A or less receiving magnetic powder clutch, basically use tension controller as a control element for controlling output voltage (current), setting tension value and so on. Whether it is receiving, discharging or tension control of the intermediate shaft, it is the best choice to use the magnetic powder clutch with the tension controller as the tension control system, which is a very necessary need to reduce unnecessary losses in production. Connection method.
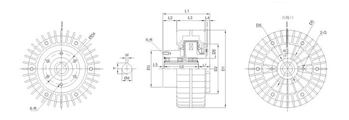
PRE-A Double Shaft Magnetic Powder Clutch


PRE-A1 Hollow Shaft Shell Rotating Magnetic Powder Clutch


PRE-A2 Hollow Shaft Inner Shell Rotating Magnetic Powder Clutch


POC rotating magnetic powder clutch



The Schematic Diagram of powder clutch,tension control, web guide system and other parts on equipment.

Packing


Order Details
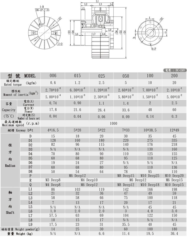
Item Name | Magnetic Powder Clutch |
MOQ(Minimum Order Quantity) | 1Pc |
Lead time | 3-5 days after receiving the deposit |
Calculated Weight | According to different models |
Package | Carton/Wooden Box |
Price Term | EXW,FOB, CIF, etc |
Payment term | TT,L/C,Western Union |
Country of Origin | China |
Hot Tags: tension clutch, China, manufacturers, suppliers, factory, quotation, pricelist, buy













