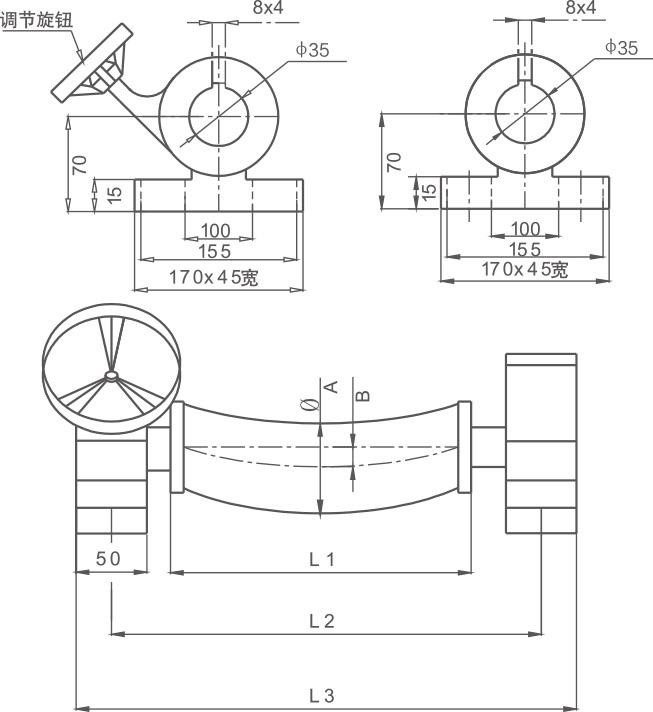
Angle Bending Rolls
Features: Rubber bending roller, also known as curved roller, is the most common flattening roller. It can be applied to many different coil equipment, such as slitting machine, aluminum plating machine, rewinding machine, etc. The principle of the curved roller is that the middle is a mandrel...
Features: Rubber bending roller, also known as curved roller, is the most common flattening roller. It can be applied to many different coil equipment, such as slitting machine, aluminum plating machine, rewinding machine, etc. The principle of the curved roller is that the middle is a mandrel with a regular arc. The outside of the mandrel is a series of bearings with a casing, generally a deep groove ball bearing. The outer part of the casing is a rubber sleeve and a rubber sleeve. There are many materials, such as Ding Qing, silicone EPDM and so on. When the curved roller is running, the curved mandrel does not rotate, and the rubber sleeve of the surface rotates. When the coil passes through the curved roller, a transverse speed is generated. This speed plays a flattening role. The curved roller is divided into various types, including a rubber-faced curved roller, a metal-faced curved roller, and an arc-adjustable curved roller.
Application: Tension of paper, plastic film, fabric, etc.

CHARATERISTIC
1. The material is mainly made of nitrile rubber, and the color can be red, green, black, etc.
2, the internal structure is the bearing ring
3, the inner device of the hose, the torque is small
4, the rubber surface is smooth, no adverse effect on the substrate
5, the stretch roller angle can be adjusted freely
6, diameter: Ф80, Ф100, Ф125, Ф150, Ф160, Ф200


Application

Packaging


Order Details
Item Name | Bending Roller/Curved roller |
MOQ(Minimum Order Quantity) | 1PC |
Lead time | 10-15 days after receiving the deposit |
Calculated Weight | Need to count |
Package | Wooden Box/Pallet packing/according to clients's requirement and demand |
Price Term | EXW,FOB, CIF, etc |
| Payment term | TT,L/C,Western Union |
| Country of Origin | China |
Hot Tags: angle bending rolls, China, manufacturers, suppliers, factory, quotation, pricelist, buy











