Magnetic Particle Clutches
Characteristics and working principle of various types of load brakes: First, the eddy current brake The eddy current brake is a domestic advanced analog loading device, which is mainly used to simulate the output performance of various power devices, and is composed of an induction disk, an...
Characteristics and working principle of various types of load brakes:
First, the eddy current brake
The eddy current brake is a domestic advanced analog loading device, which is mainly used to simulate the output performance of various power devices, and is composed of an induction disk, an armature and an excitation part. When the exciting coil coaxially mounted with the rotor is DC-powered, the magnetic flux generated by it forms a closed loop through the armature body, the swirl ring, the air gap and the rotor.
Since the outer circular surface of the rotor is made with evenly distributed teeth and grooves, a sparse phase magnetic field is generated on the air gap and the surface of the armature body or the vortex ring. Therefore, when the rotor is dragged and rotated, the armature body and the vortex ring The magnetic field at any point on the inner surface produces a change, thereby inducing a "vortex" that produces a braking torque on the rotor under the coupling of the "eddy current" and the magnetic field. Since the armature body is fixed on the bottom plate through the base, the rotor cannot drive the armature body to rotate, and the power output of the power machine is converted into the equivalent heat generated by the "eddy current" on the armature body and the vortex ring, and the heat is entered. The armature and vortex ring cool the continuous cooling water in the water tank and the eddy current brake itself. Corresponding to each constant current of the exciting coil, the eddy current brake exhibits a stable braking characteristic curve with a torque attached to the rotating speed, and the braking torque can be changed by changing the magnitude of the exciting current.
Second, the magnetic powder brake
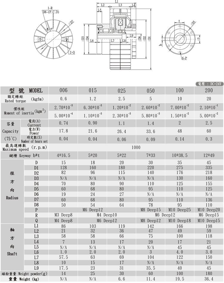
The magnetic powder brake is a new type of transmission component that uses magnetic powder as a medium to form a magnetic powder chain to transmit torque under energization, and is composed of an inner rotor, an outer rotor, an excitation coil and a magnetic powder. When the coil is not energized, the active rotor rotates. Due to the centrifugal force, the magnetic powder is clamped on the inner wall of the active rotor, and there is no contact between the magnetic powder and the driven rotor, and the active rotor idles. After the DC power is turned on, an electromagnetic field is generated, and the magnetic powder of the working medium forms a magnetic powder chain under the action of the magnetic force line, and the inner rotor and the outer rotor are coupled to achieve the purpose of transmitting and braking torque. It can transmit a certain torque regardless of the slip, and has the advantages of fast response, simple structure, no pollution, no noise, no impact vibration and energy saving.
Third, the hysteresis brake
The hysteresis brake is composed of two parts: the rotor and the stator magnetic pole. The rotor is made of special hysteresis material. There is a certain gap in the stator pole, and the rotor rotates in the gap. When the coil is energized, a magnetic field is generated in the gap, causing a hysteresis effect on the rotor. When the hysteresis rotor is rotated against the hysteresis force under the action of an external force, the rated torque is generated. Torque is only related to the magnitude of the magnetizing current, independent of the speed, enabling non-contact torque transmission.
Fourth, the servo motor
The servo motor is divided into two categories: DC and AC servo motor. It can control the speed and position with high precision, and convert the voltage signal into torque and speed to drive the control object. The servo motor rotor speed is controlled by the input signal and can be quickly reacted. It is used as an actuator in the automatic control system, and has the characteristics of small electromechanical time constant, high linearity, and starting voltage, which can convert the received electrical signals. An angular displacement or angular velocity output on the motor shaft. Its main feature is that when the voltage signal is zero, there is no rotation phenomenon, and the rotation speed decreases uniformly with the increase of the torque.
PRE-A Double Shaft Magnetic Powder Clutch

PRE-A1 Hollow Shaft Shell Rotating Type Magnetic Powder Clutch


PRE-A2 Hollow Shaft Inner Shell Rotating Type Magnetic Powder Clutch

The Schematic Diagram of powder clutch,tension control, web guide system and other parts on equipment.

How to choose
Secondly, it is necessary to select the appropriate load according to the properties of the measured motor's speed, torque, power and other suitable load scenarios. Each type of load has its own advantages and disadvantages:
1. Eddy current, suitable for high speed and high power occasions, the maximum speed can support 30,000 rpm at 5kw;
2. Magnetic powder braking, low price, mainly used in low-speed and high-power applications, but need to consider heat dissipation, low precision, there will be zero drift;
3. Hysteresis brake, suitable for high speed and low power applications, the torque range is very small, the power of about 5kw can only be measured up to 30N.m;
4. Servo motor, suitable for occasions with high precision requirements, good test repeatability, support for feed-type load. The range of speed and torque is not fixed, and the corresponding load motor can be flexibly selected according to the characteristics of the motor to be tested.
Therefore, according to the test requirements of the motor under test, it is determined by selecting the load brake by comparing the characteristics of each type of load.
Application
Printing machinery, paper machinery, bag making machinery, papermaking machinery, wire and cable machinery, coiling machinery, wire machinery, bale bag machinery, textile machinery, weaving machinery, woodworking machinery, test equipment, simulation load, various Mechanical precision tension control, general industrial equipment, and other general industrial machinery.


Order Details
|
Item Name |
Magnetic Powder Clutch |
|
MOQ(Minimum Order Quantity) |
1Pc |
|
Lead time |
3-5 days after receiving the deposit |
|
Calculated Weight |
According to different models |
|
Package |
Carton/Wooden Box |
|
Price Term |
EXW,FOB, CIF, etc |
|
Payment term |
TT,L/C,Western Union |
|
Country of Origin |
China |
Hot Tags: magnetic particle clutches, China, manufacturers, suppliers, factory, quotation, pricelist, buy












