Rubber Bending Spreader Roller
Different types of rubber bending rolls have different applications in different fields Due to its excellent mechanical properties and special processing properties, urethane rubber bending rolls are widely used in machinery industry, automobile manufacturing process, mining and petroleum...
Different types of rubber bending rolls have different applications in different fields
Due to its excellent mechanical properties and special processing properties, urethane rubber bending rolls are widely used in machinery industry, automobile manufacturing process, mining and petroleum industry, electrical and instrumentation industry, leather and footwear industry, construction industry, medical and sporting goods. In other fields, the mid-term is particularly broad in the automotive, footwear and machinery industries. Different types of rubber bending rolls have different applications in different fields.

CHARATERISTIC
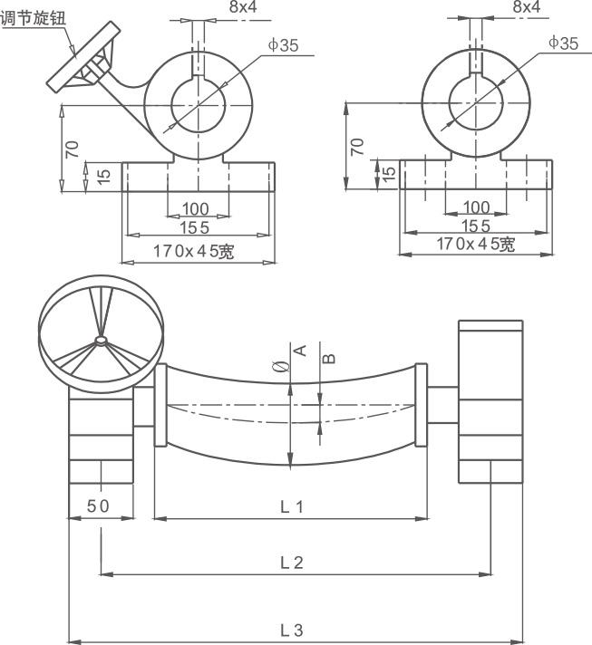
1. The material is mainly made of nitrile rubber, and the color can be red, green, black, etc.
2, the internal structure is the bearing ring
3, the inner device of the hose, the torque is small
4, the rubber surface is smooth, no adverse effect on the substrate
5, the stretch roller angle can be adjusted freely
6, diameter: Ф80, Ф100, Ф125, Ф150, Ф160, Ф200


Polyurethane rubber is classified according to its performance characteristics, and its application is as follows.
1. High mold products.
Some varieties of urethane rubber have high molds. Can be applied to solid tires, gears, sprockets, seals, O-rings, gaskets, paper and sheet metal processing rolls, printing and rolling rolls, crusher expansion elements, drive belts, timing belts, folding containers and roller skates Round and so on.
2. Buffer products.
Polyurethane rubber has good energy absorption, so it is used as a cushioning element for high-frequency vibration in vehicles and mechanical parts, as well as sheet metal stamping and forming hard mold gaskets, various anti-vibration rubbers, rubber springs, elastic gasket materials, and automobiles. Bumper, coupling, textile machine parts, tool holder, hammer head and rock drill handle.
3. Wear-resistant products.
Due to its good wear resistance, urethane rubber bending rolls can be used in harsh friction environments. Such as various conveyor and grinding equipment linings, screens and screens, soles and heels, friction drive rollers, bushings and bushings, brake pads, conveyor belts, solid tires, bicycle tires, motorized sprocket, pumps and impellers Coating layer, etc.
4, oil resistant products.
Polyurethane rubber bending rolls have good oil resistance and can be used in printing rubber rolls and some printing machinery parts, roll coating rubber rolls, dust seals, fuel containers, oil seals, O-rings, U-shaped and V-shaped bowls. Washers, etc.
5, anti-aging products.
Polyurethane rubber bending rolls have good aging resistance, so they are widely used in aging resistant products. Such as open-pit mine conveyor belts, support rollers, sports shoes, field cable jackets, etc.; and equipment and equipment under special circumstances, such as high-energy physics laboratory equipment, electrical equipment and aerospace rubber materials, etc.
Sixth, rubber roller grinding: according to the size and shape of the customer's requirements to polish, some customers have higher requirements on the surface of the rubber roller, the need to use the CNC grinding machine to mirror the rubber roller.
Application

Packaging

Order Details
Item Name | Bending Roller/Curved roller |
MOQ(Minimum Order Quantity) | 1PC |
Lead time | 10-15 days after receiving the deposit |
Calculated Weight | Need to count |
Package | Wooden Box/Pallet packing/according to clients's requirement and demand |
Price Term | EXW,FOB, CIF, etc |
| Payment term | TT,L/C,Western Union |
| Country of Origin | China |
Hot Tags: rubber bending spreader roller, China, manufacturers, suppliers, factory, quotation, pricelist, buy











