Bending Roll
CHARATERISTIC The curved roller is a roller that has a certain curvature in the longitudinal direction and is fixed by a ball bearing. Since the curved roller has a certain curvature, when the paper/film is rotated by the curved roller, the paper/film will be elongated in the longitudinal...
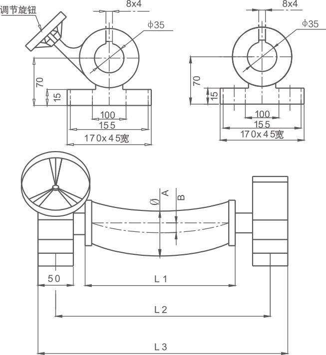
CHARATERISTIC
The curved roller is a roller that has a certain curvature in the longitudinal direction and is fixed by a ball bearing. Since the curved roller has a certain curvature, when the paper/film is rotated by the curved roller, the paper/film will be elongated in the longitudinal direction to achieve the effect of stretching the web, eliminating wrinkles and preventing during the web. Interlacing that may occur during material slitting. That is to say, the curved roller is fixed, and the roller surface is a rotatable bending roller for use in paper, film, textile and similar product processing equipment.

CHARATERISTIC
1. The material is mainly made of nitrile rubber, and the color can be red, green, black, etc.
2, the internal structure is the bearing ring
3, the inner device of the hose, the torque is small
4, the rubber surface is smooth, no adverse effect on the substrate
5, the stretch roller angle can be adjusted freely
6, diameter: Ф80, Ф100, Ф125, Ф150, Ф160, Ф200

Banana Roller which are consist of bowed shafts, sealed ball bearings, abrasion resistant sleeve and metal segments. We are the reputed manufacturers of Rubber Expander & Metal Expander Rollers. We are capable to manufacture the Rubber Expander as well as Metal Expander Rollers in different ranges and prices according to the requirement of our customers. The main and very useful benefit of this type of roller is; they are used as a wrinkle remover device in a large number of industries. The performance rate of this product is extraordinary. These Expander Rollers are available at much effective cost so they are in demand at the market place. These devices are generally known as the wrinkle remover devices.

Application

Packing


Order Details
Item Name | Bending Roller/Curved roller |
MOQ(Minimum Order Quantity) | 1PC |
Lead time | 10-15 days after receiving the deposit |
Calculated Weight | Need to count |
Package | Wooden Box/Pallet packing/according to clients's requirement and demand |
Price Term | EXW,FOB, CIF, etc |
| Payment term | TT,L/C,Western Union |
| Country of Origin | China |
Hot Tags: bending roll, China, manufacturers, suppliers, factory, quotation, pricelist, buy













