Line Guide Controller
1.Thank you very much for your attention on the EPC-A12 servo web guide system! The system can connect a variety of different types of correction sensors;
2.And the pusher supports EPC edge and LPC line tracking, CPC alignment, SPC misalignment (snake) and other guiding methods;
1.Thank you very much for your attention on the EPC-A12 servo web guide system! The system can connect a variety of different types of correction sensors;
2.And the pusher supports EPC edge and LPC line tracking, CPC alignment, SPC misalignment (snake) and other guiding methods;
3.Use color large-screen touch as a human-machine interface, easy to operate, beautiful, with setup wizard and online help system,even if you use the system for the first time, you can easily complete the basic settings;
4.High-performance servo motor vector drive, fast speed response, support for direct torque control, acceleration and deceleration, speed limit.
5.High-speed CPU operation, support EPC and edge LPC with line, CPC alignment, SPC misalignment (snake) and other correction methods;
6.Support ultrasonic sensors, photoelectric sensors, CCD sensors.
7.Large-screen color touch screen, man-machine interface is beautiful and practical, easy to operate.
8.An integrated setup wizard and help system, each with help buttons for concise help.
9.The pusher uses a servo motor to drive the ball screw, which has high precision, low noise and maintenance-free.
10.The pusher is equipped with an encoder and an absolute value linear position feedback device. It adapts to different mechanical strokes without the need of a travel limit switch, and the limit position never drifts.
11.With 3 high-speed analog inputs, it can connect two analog sensors and one external control analog (such as fine-tuning position, serpentine speed, etc.).
12.With 3 digitally isolated digital inputs, different functions can be set individually.
13.Multiple software and hardware protection measures, stable and reliable work, strong anti-interference ability. There are different failure emergency response plans for the failure of each component.
Guaranteed 24 hours of uninterrupted operation.

Applications: Printing presses, rewinders, coaters, bag making machines, slitting machines, laminating machines, laminating machines
Installation:

Principle:

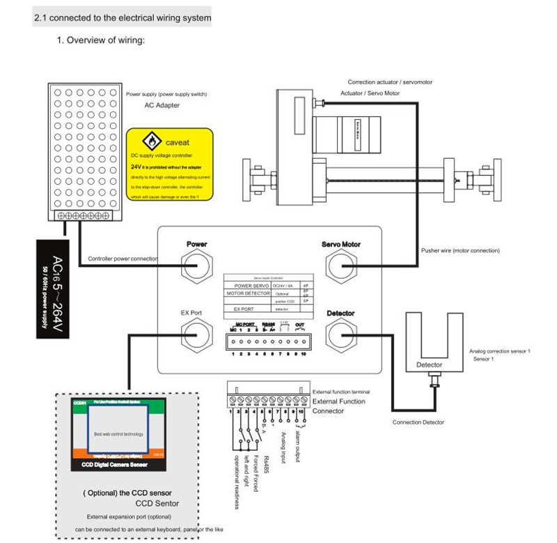
Wire Diagram:


Order Details
Item Name | EPC-A12 Line Guiding Controller |
MOQ(Minimum Order Quantity) | 1pc |
Lead time | 1-2 days after receiving the deposit |
Calculated Packing Size | 15cm*10cm*10cm |
Package | Carton/Wooden Box |
Price Term | EXW,FOB, CIF, etc |
Payment term | TT, L/C,Western Union |
Country of Origin | China |
Hot Tags: line guide controller, China, manufacturers, suppliers, factory, quotation, pricelist, buy













